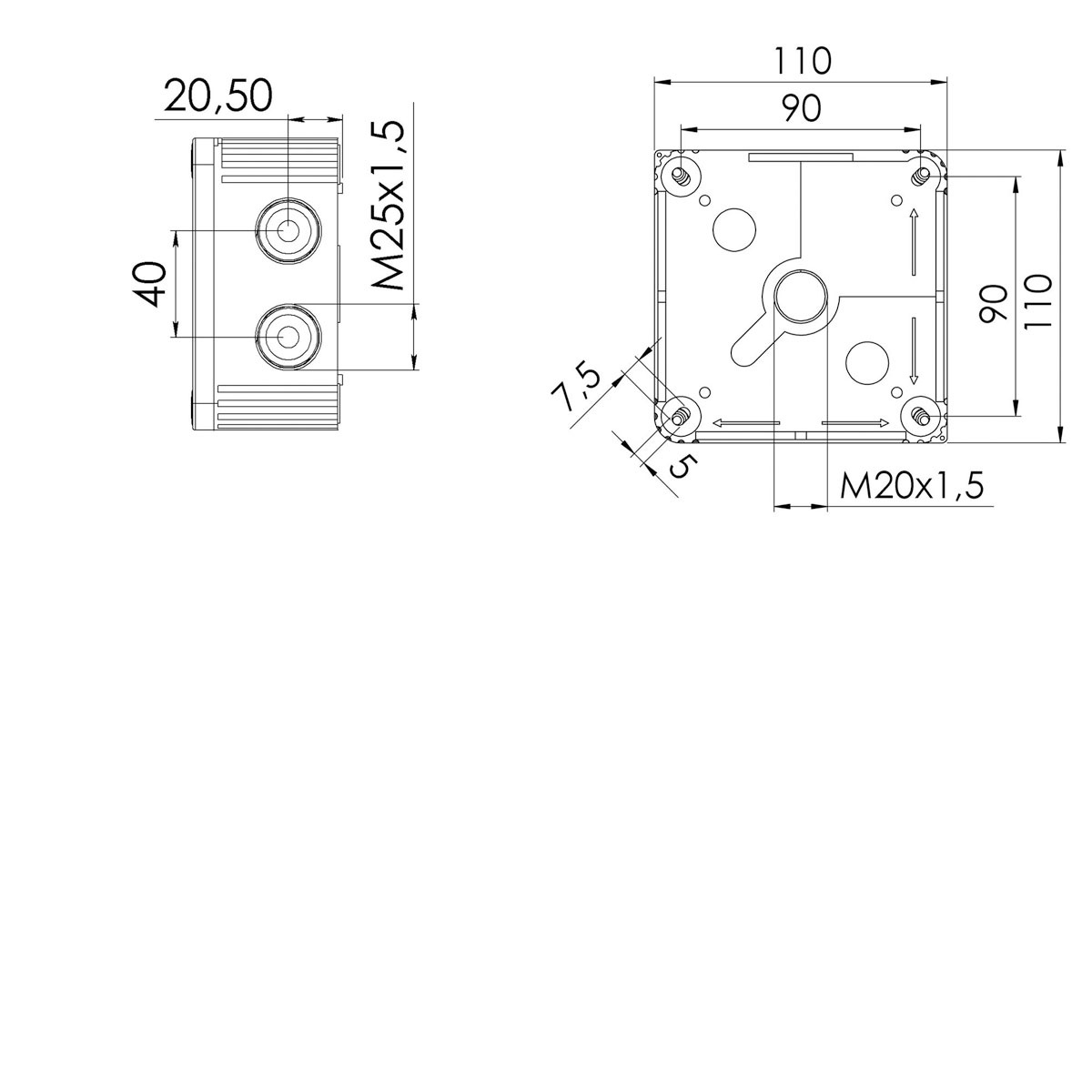
Kopplingsdosor i Combi serien är uv-resistenta och har en hög skyddsform IP66 vilket gör att dom lämpar sig utmärkt för installationer utomhus. Combi 607 har sju självtätande elastiska membra med integrerade gängor M20X1,5 för förskruvningar.
I Combi 308 passar ett mindre drivdon eller transformator för strömförsörjning av små spotlight på spjut mm.
I Combi 308 passar ett mindre drivdon eller transformator för strömförsörjning av små spotlight på spjut mm.



